Popis
DOMAX PWB prodloužení patky sloupku PWM je zahradní konstrukční prvek. Třírozměrné spojky DMX slouží k pevnému a spolehlivému upevnění dřevěných prvků k betonovým nebo ocelovým konstrukcím, případně k jiným nosným prvkům. Používají se ke spojování kolmých nosných prvků z masivního dřeva vedle sebe za účelem vytvoření spojů, které musí splňovat požadavky na mechanickou pevnost a trvanlivost, jak je definováno v základním požadavku na stavby č. 1 podle nařízení (EU) č. 305/2011.
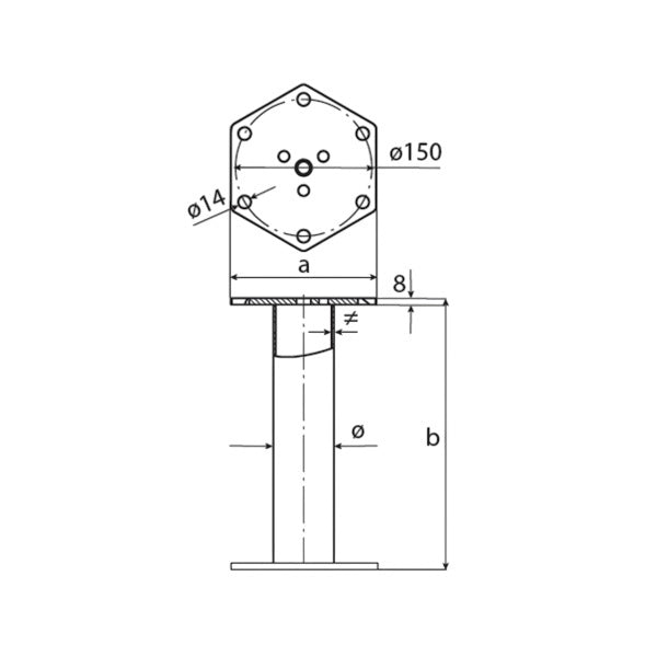
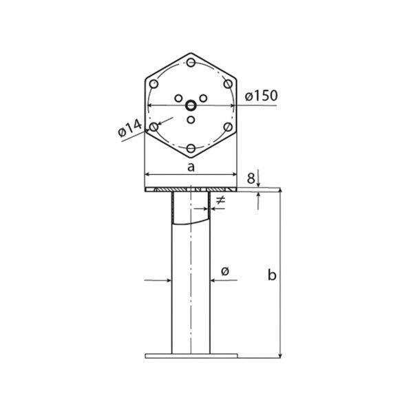
DOMAX PWB slouží jako prodloužení patky sloupku DOMAX PWM zemní šroubovací patka sloupku s šestihranem.
K prodloužení patky sloupku DOMAX PWB, se používají vruty DOMAX CTO pro zahradní architekturu a vruty do dřeva DOMAX PWD Ø10 mm. Tato kombinace zajišťuje pevné, stabilní a dlouhodobě spolehlivé uchycení sloupků v pergolách, přístřešcích a dalších dřevěných konstrukcích.
Výhody
-
Vysoká nosnost a pevnost v tahu
-
Určeno pro spojování dřeva s dřevem, betonem nebo ocelí
-
Spolehlivá odolnost proti vytažení
-
Prášková povrchová úprava pro lepší ochranu proti korozi
-
Odolnost proti korozi (třídy C1 a C2)
-
Odpovídá požadavkům Eurokódu 5 (EN 1995-1-1)
-
Třída použití 1, 2 a 3 - vhodné i pro venkovní použití (bez kyselých plynů a par)
- Vysoká mechanická pevnost a dlouhá životnost
Doporučené spojení
Pro správnou funkci se doporučuje používat hřebíky s kulatým dříkem v souladu s normou EN 14592+A1, s následujícími parametry:
-
Průměr: ≥ 4 mm
-
Kluzná mez My,k: 7168 N·mm
-
Parametr vytažení fax,k (odolnost proti vytažení): 7,8 N/mm²
- Pevnost v tahu ftens,k: 7,3 kN
Údržba
Dlouhá životnost je zajištěna pravidelnými technickými a údržbovými kontrolami. Vlastník je povinen během užívání objektu udržovat řádný technický stav. Stavební materiály je nutné každoročně kontrolovat. Jakékoli poškození zinkového povlaku nebo nátěru musí být řádně ošetřeno, aby byla zajištěna ochrana proti vnějším vlivům.
Skladování
Konektory DOMAX musí být skladovány v uzavřených prostorách a chráněny před povětrnostními vlivy, poškozením a/nebo rozbitím.
Technický popis
Prodloužení patky
Prodloužení patky PWM ukončené šestihrannou kapsou umožňuje montáž základny i na nerovném terénu, při současném zajištění příslušné pevnosti.
Upevnění
Dřevo: vruty do dřeva - CTO Ø10; vruty do dřeva - PWD Ø10; ocel: metrické šrouby M10, M12.
Povlak
Žárový zinek (ZNO)



Soubory ke stažení
Technické parametry
| Materiál | S235 + žárové pozinkování |






